5 Calculation of tI
Clasification Society 2024 - Version 9.40
Statutory Documents - IMO Publications and Documents - Circulars - Maritime Safety Committee - MSC/Circular.1166 – Guidelines for a Simplified Evacuation Analysis for High-Speed Passenger Craft – (27 June 2005) - Annex - Guidelines for a Simplified Evacuation Analysis for High-Speed Passenger Craft - Appendix - Example of Application - 5 Calculation of tI

5 Calculation of tI

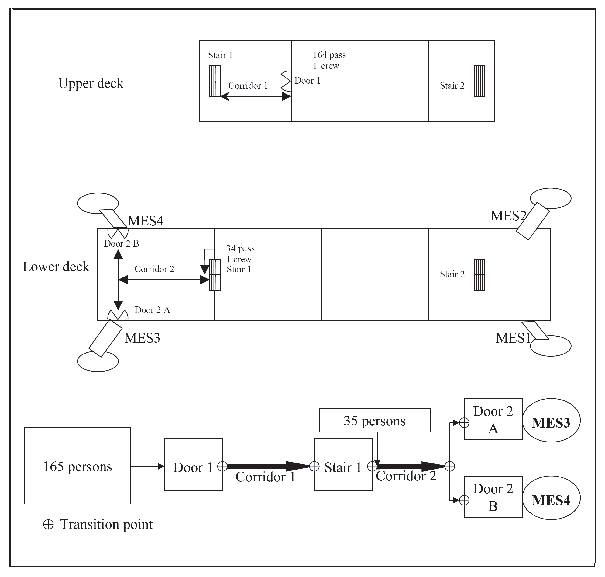
  5.1 For the purposes of this example, it is assumed that calculations have been carried out for all the 8 groups of people into which the evacuation is organized, according to the evacuation procedure described in paragraph 3.3 above. It is further assumed that the highest travel time is obtained for the group of people moving (phase 1) from the afterward passenger area in the upper deck down to MES 3 and 4 respectively on the lower deck.

  5.2 The schematization of the escape route is shown in figure 4. As it may be seen, the elements composing the escape path are 2 doors, 2 corridors and 1 stairway.

  5.3 The characteristics of the escape path's elements are as follows:

Element L (m) Wc (m) Fs S (m/s) Fc
(p/s)
N
people
Door 1 N.A. 1.4 1.3 N.A. 1.82 165
Corridor 1 14 4.2 1.3 0.67 5.46 165
Stairway 1 4.7 3.5 1.1 0.55 3.85 165
Corridor 2 14 3.0 1.3 0.67 3.90 200
Door 2A N.A 1.4 1.3 N.A. 1.82 100
Door 2B N.A 1.4 1.3 N.A. 1.82 100

 The values of specific flow (Fs) and speed (S) are taken from table 3.6 of the guidelines; the value of calculated flow (Fc) is obtained by Fc = Fs Wc (see paragraph 3.6.1.4 of the guidelines).

  5.4 The resulting walking time (tw) and flow time (tF), calculated according to paragraphs 3.6.1.5 and 3.6.1.6 of the guidelines are as follows:

Element L (m) Wc (m) N people tw (s) tF (s)
Door 1 N.A. 1.4 165 N.A. 91
Corridor 1 14 4.2 165 21 30
Stairway 1 4.7 3.5 165 9 43
Corridor 2 14 3.0 200 21 51
Door 2A N.A. 1.4 100 N.A. 55
Door 2B N.A. 1.4 100 N.A. 55

  5.5 The resulting total walking time is the sum of the walking time of each element in the escape path and totals 51 s. The flow time is the highest among all the elements in the escape path and corresponds to 91 s. Accordingly, the ideal travel time is where, tI = 142 s.

Figure 4 Sketch of the evacuation path and its schematization


Copyright 2022 Clasifications Register Group Limited, International Maritime Organization, International Labour Organization or Maritime and Coastguard Agency. All rights reserved. Clasifications Register Group Limited, its affiliates and subsidiaries and their respective officers, employees or agents are, individually and collectively, referred to in this clause as 'Clasifications Register'. Clasifications Register assumes no responsibility and shall not be liable to any person for any loss, damage or expense caused by reliance on the information or advice in this document or howsoever provided, unless that person has signed a contract with the relevant Clasifications Register entity for the provision of this information or advice and in that case any responsibility or liability is exclusively on the terms and conditions set out in that contract.