Regulation 9.2.2.1: Arrangement of main vertical zones footnote
Clasification Society 2024 - Version 9.40
Statutory Documents - IMO Publications and Documents - Circulars - Maritime Safety Committee - MSC/Circular.1120 – Unified Interpretations of SOLAS Chapter II-2, the FSS Code, the FTP Code and Related Fire Test Procedures – (2 June 2004)Amended by MSC.1/Circular.1436 - Annex - Unified Interpretations of SOLAS Chapter II-2, the FSS Code, the FTP Code and Related Fire Test Procedures - Appendix - Explanatory Sketches - Regulation 9.2.2.1: Arrangement of main vertical zones1

Regulation 9.2.2.1: Arrangement of main vertical zones footnote

Figure 1 ECS serves one MVS

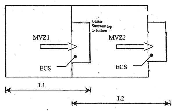
Figure 2 ECS serves two MVS's

Figure 3 ECS serves two MVS's (ECS belongs to MVS2)

Figure 4 ECS serves two MVS's


Copyright 2022 Clasifications Register Group Limited, International Maritime Organization, International Labour Organization or Maritime and Coastguard Agency. All rights reserved. Clasifications Register Group Limited, its affiliates and subsidiaries and their respective officers, employees or agents are, individually and collectively, referred to in this clause as 'Clasifications Register'. Clasifications Register assumes no responsibility and shall not be liable to any person for any loss, damage or expense caused by reliance on the information or advice in this document or howsoever provided, unless that person has signed a contract with the relevant Clasifications Register entity for the provision of this information or advice and in that case any responsibility or liability is exclusively on the terms and conditions set out in that contract.