Annex 2 - Worked Example of the Procedures
Clasification Society 2024 - Version 9.40
Statutory Documents - IMO Publications and Documents - Resolutions - Assembly - IMO Resolution A.829(19) – Guidelines for the Evaluation of the Adequacy of Type C Tank Vent Systems – (Adopted on 23 November 1995) - Annex - Guidelines for the Evaluation of the Adequacy of Type C Tank Vent Systems - Annex 2 - Worked Example of the Procedures

Annex 2 - Worked Example of the Procedures

  Procedures Reference No.

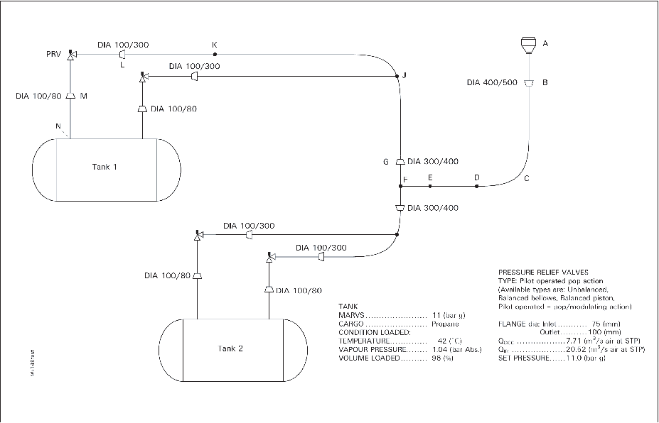
  By 2.1 Figure 1 is a simplified flow sheet of a cargo tank vent system with one vent stack connected to two tanks. The system has been divided into sections between nodes, marked by capital letters A to N, at changes in pipe diameter and at interconnections with flows from other relief valves at F and J.

Table 1 lists the vent pipe lengths and external surfaces areas, the fittings in the vent system and their Friction Resistance Factors. Table 2 gives some typical values for Friction Resistance Factors (N). N may vary with pipe diameter.

Figure 1 Simplified Flow Sheet of a Cargo Tank Vent System With One Vent Stack Connected Two Tanks

Table 1 List of Vent Pipe Lengths and Surface Areas, Fittings and Dynamic Loss Coefficients

Pipe section Length (mm) Pipe Diameter (mm) Surface area (m2) Fitting Specification Dynamic loss coefficients N Pipe
A 1,080 500/750 2.04 A = Cowl/Vent Exit 2.25 2.25
A-B 1,565 500 2.46       0.063 0.063
Section total     4.50         2.313
B-C 2,650 400 3.331 B = Conical Expansion d/D = 0.8 * 0.132 0.132
C-D 2,546 400 3.20 C = Long Radius Bend 90° 0.3 0.127 0.427
D-E 14,880 400 18.701 D = Bend 45° 0.2 0.744 0.944
E-F 2,093 400 2.63 E = Bend 45° 0.2 0.105 0.305
Section total     27.86         2.008
F-G 642 400 0.81 F =Hard Tee 1.1 0.032 1.132
G-J 1,066 300 1.00 G = Conical Expansion d/D = 0.75 *) 0.071 0.071
Section total     1.81          
J-K 1,340 300 1.263 J = Soft Tee 0.3 0.089 0.389
K-L 481 300 0.453 K = Bend 45° 0.2 0.032 0.232
Section total     1.72         0.621
L-PRV 216 300/100 L = Conical Expansion d/D = 0.33 * 0.043 0.043
PRV-M 108 80       0.027 0.027
M 108 80 M = Conical Expansion d/D = 0.8 0.1 0.1
M-N 142 80 N = Square Edged Inlet 0.5 0.028 0.528

Table 2 Typical values for Dynamic Loss Coefficient (N) for vent system fittings, 'N' may vary with pipe diameter

Fitting Equivalent
Inlet pipe from tank to PRV:  
Square-edged inlet 0.5
Protruding conical inlet 0.15
Conical reduction 0.1
Discharge piping from PRV to mast vent exit:  
45°   0.2
45° single-mitre elbow   0.45
90°   0.3
90°   0.5
90°   0.6
Soft-Tee 0.3
Hard-Tee 1.1
Cowi mast vent exit 2.25
Top-Hat mast vent exit [4.5]
Flame screen for IGC Code 17.10   1.4
References:
Sizing Safety Valve Inlet Lines” Chemical Engineering Process, November 1980
Engineering Data Book, Figure 17–4” Gas processors Association, 10th Edition. 1987
Guide for Pressure-Relieving and Depressurising Systems” Table 5, API RP 521 Third Edition, November 1990

  By 2.2 The IGC Code minimum tank relief capacity, QGCC , is calculated for the Case Study ship tank analysed in BCH 20/7, annexes 2 to 5 which has an external surface area 747 m2 MARVS 11.0 bar g.

  By IGC Code 8.5.2 for propane:

 for

  • 1.2 × MARVS = 11.0 × 1.2 + 1.0 = 14.2 bar a

  • L = 308.6 kJ/kg

  • T = 273 + 41 = 313 K

  • D = 0.635, for k= 1.13

  • Z = 1.0

  • M = 44

  • A 0.82 = 227.05

  • F = 0.2

 The QGCC for actual case study ship tank = 7.71 m3/s of Air at STP.

  The installed rated capacity for two 75 mm × 100 mm AGCo Type 95 POPRVs

  QIR = 20.52 m3/ s of Air at standard conditions (STP) of 273 K and 1.013 bar a,

 or 20.52/7.71 = 2.66 times the QGCC

  By equation (1) for all vapour mass flow rate from tank for propane:

  where hfg at 1.2 × MARVS= 308600 J/kg

 or Code PRV all vapour mass flow rate per PRV = 5.22 kg/s

 and Installed Rated all vapour mass flow rate per PRV = 5.22 × 2.66 = 13.89 kg/s

  where hfg at MARVS = 322800 J/kg

 or Installed Rated all vapour mass flow rate per PRV = 4.99 × 2.66 = 13.27 kg/s

  By equation (2) for two-phase mass flux through PRV orifice for propane

 At 1.2 MARVS where C = 2931 J/kg

 At MARVS where C = 2750 J/kg

  By equation (3) for two-phase mass flow rate through installed rated PRV orifice area

  Av = 0.004032 m2; Kw = 0.72

 AT 1.2. MARVS:

  W = 9727 × 0.72 × 0.004032 = 28.25 kg/s

 At MARVS:

  w = 8959 × 0.72 ×0.004032 = 26.01 kg/s

  By equation (4) for two-phase mass flow rate through Code PRV

 At 1.2 MARVS

  By 2.3 The all vapour capacity and two-phase pressure drops in the pipe from the cargo tank to the PRV inlet are calculated as the difference in stagnation pressures by suing the second term of equation (5) for the pipe sections of constant diameter and by using equation (5.1) for conical reduction fittings (contractions).

  For Code PRV all vapour capacity at 1.2 × MARVS

  Section N to M from Table 1:

 where:

  • Gp = 5.22/π × 0.12/4 = 665 kg/m2-s; v = 0.0330 m3/kg with incompressible flow assumed.

  • ΔP = 0.5 × 6652 × 0.0330 × 0.528 = 3900 Pa (0.039 bar)

  Conical reduction fitting M:

 where:

  • Gp = 5.22/ π × 0.082/4 = 1038 kg/m2-s; N = 0.1

  • ΔP = 0.5 × 10382 × 0.0330 × 0.1 = 1800 Pa (0.018 bar)

  Section M to PRV and from Table 1:

 where:

  • Gp = 1038 kg/m2/-s ; 4f L/D + ΣN= 0.027

  • ΔP = 0.5 × 10382 × 0.0330 × 0.027 = 500 Pa (0.005 bar)

  Section N to PRV total ΔP = 0.039 + 0.018 + 0.005 = 0.06 bar

  For installed rated all vapour capacity at MARVS

  Section N to M:

 where:

  • Gp = 13.27/π × 0.12/4 = 1689 kg/m2-s ; 0.0392 m3/kg with incompressible flow assumed

  • ΔP = 0.5 × 16892 × 0.0392 × 0.528 = 29500 Pa (0.295 bar)

  Conical reduction fitting M:

 where:

  • Gp = 13.27/π × 0.082/4 = 2640 kg/m2-s

  • ΔP = 0.5 × 26402 × 0.0392 × 0.1 = 13700 Pa (0.137 bar)

  Section M to PRV:

 where:

  • Gp = 2640 kg/m2-s

  • ΔP = 0.5 × 26402 × 0.0392 × 0.027 = 3700 Pa (0.037 bar)

  Section N to PRV total ΔP = 0.295 + 0.137 + 0.037 = 0.47 bar

  For Code PRV two-phase capacity at 1.2 × MARVS

  Section N to M:

 where:

  • Gp = 10.6/π × 0.12/4 = 1349 kg/m2-s ; v= 0.002145 m3/kg with saturated liquid flow assumed

  • ΔP = 0.5 × 13492 × 0.002145 × 0.528 = 1000 Pa (0.01 bar)

  Conical reduction fitting M

 where:

  • Gp = 10.6/π × 0.082/4 = 2109 kg/m2-s

  • ΔP = 0.5 × 21092 × 0.002145 × 0.1 = 500 Pa (0.005 bar)

  Section M to PRV:

 where:

  • Gp = 2109 kg/m2-s

  • ΔP = 0.5 × 21092 × 0.002145 × 0.027 = 100 Pa (0.001 bar)

  Section N to PRV total ΔP = 0.01 + 0.005 + 0.001 = 0.016 bar

  For Installed Rated two-phase capacity at MARVS

  Section N to M:

 where:

  • Gp = Gp = 26.01/π × 0.12/4 = 3311 kg/m2-s; v = 0.002088 m3/kg with saturated liquid flow assumed

  • ΔP = 0.5 × 33112 × 0.002088 × 0.528 = 6000 Pa (0.06 bar)

  Conical reduction fitting M:

 where:

  • Gp = Gp = 26.01/π × 0.082/4 = 5174 kg/m2-s

  • ΔP = 0.5 × 51742 × 0.002088 × 0.1 = 2800 Pa (0.028 bar)

  Section M to PRV:

 where:

  • Gp = 5174 kg/m2-s

  • ΔP = 0.5 × 51742 × 0.002088 × 0.027 = 800 Pa (0.008 bar)

  Section N to PRV total ΔP = 0.06 + 0.028 + 0.008 = 0.10 bar:

  By 2.4 Check system compliance with requirements of General Section ref. 1.3

  • 1.3.1 At Code PRV all vapour capacity at 1.2 × MARVS

    ΔP× 100/P MARVS = 0.06 × 100/11.0 = 0.55%

    Guideline 1.3 = 3% maximum

    At Code PRV two-phase capacity at 1.2 × MARVS

    = 0.016 × 100/11.0 = 0.15%

  • 1.3.2 At installed rated all vapour capacity at MARVS

    = 0.47 × 100/11.0 = 4.27%*

    At installed rated two-phase capacity at MARVS

    = 0.10 × 100/11.0 = 0.91%

  • * Acceptable because pilot senses at a point that is not affected by the inlet pipe pressure drop. If a protruding conical inlet (N= 0.15) had been added to the square-edged inlet (N= 0.5), the pressure drop would have been reduced, by 0.15/0.5 × 29500 = 8900 Pa to 3800 Pa which is 3.5% of set pressure.

    ΔPclose = > 0.02 × PMARVS + ΔPinlet
    = > 0.02 × 11.0 + 0.47 > 0.69 bar

    For stable operation of the PRV, closing pressure should be less than:

    11.0 - 0.69 ≤ 10.31 bar g for a pop-action POPRV

  By 2.5 The two-phase critical exit choking pressure is estimated, using saturated propane properties at 1.2 ×MARVS (14.2 bar a)

  By equation (6)

 where

 and where W' for Code discharge from four PRVs

 Thus the exit flow is not choked and the vent pipe exit pressure is 100000 Pa (1 bar a)

  By 2.6 The exit vapour fraction, xe , assuming a fire exposure heat flux of 108 kW/m2 into uninsulated vent discharge piping at the Code rated two-phase flow rate, is estimated.

By equation (7) and from Table 1:

 where

 and

 = 0.74

  By 2.7 The pressure drops between the vent discharge piping nodes are estimated by equation (5), with iteration until the upstream node absolute pressure, vapour fraction and specific volume are justified, and working section by section back up the pipe to the PRV.

  Section B to A and from Table 1:

 where

 By first approximation

 Try PB = 1.18 bar a

  By equation (7) and from Table 1:

 where

 and

  By equation (5)

  • ΔP = 215.92× (0.319-0.256) + 0.5 × 215.92 × (0.319 + 0.256)/2 × 2.313

  • = 2900 + 15500 = 18400 Pa (0.18 bar)

  • and PB = 1.18 bar a

  By 2.8 and Pec at B = 337.3 × 136.2 = 46000 Pa (0.46 bar a) using mass flux at exit from section F to B

  Section F to B and from Table 1:

 where

 By first approximation

  • ΔP = 0.5 × 337.32 × 0.256 × 1.808

  • = 26300 Pa (0.26 bar)

  PF = 1.18 + 0.26 = 1.44, Try 1.51 bar a

  By equation (7) and from Table 1:

  where

  • Σa/W = 1.81/21.2 + 1.72/10.6 = 0.2477 m2-s/kg

  and

  By equation (5)

  • ΔP = 337.32(0.256-0-0.145) + 0.5 × 337.32 (0.256 + 0.145)/2 × 1.808

  • = 12600 + 20600 = 33200 Pa (0.33 bar)

  • and PF = 1.18 + 0.33 = 1.51 bar a

  By 2.8 and Pec at F = 168.7 × 136.2 = 23000 Pa(0.23 bar a)

  Section G to F and from Table 1:

  where

  • Gp = 2 × 10.6/π 0.42/4 = 168.7 kg/m2-s

 By first approximation

  • ΔP = 0.5 × 168.72 × 0.145 × 1.132

  • = 2300 Pa (0.02 bar)

 This pressure drop is too small to justify a more accurate estimation. For the purposes of this calculation, we can assume the specific volume remains constant from G to L.

  Section J to G and from Table 1:

  where

  • Gp = 2 × 10.6/π 0.32/4 = 299.9 kg/m2-s

 By first approximation

  • ΔP = 0.5 × 2.99.92 × 0.145 × 0.071

  • = 500 Pa (0.01 bar)

  Section L to J from Table 1:

  where

  • Gp = 10.6/π 0.32/4 = 149.9 kg/m2-s

 By first approximation

  • ΔP = 0.5 × 149.92 × 0.145 × 0.621

  • = 1000 Pa (0.01 bar)

  • PL = 1.51 + 0.02 + 0.01 + 0.01 = 1.55 bar a at exit from conical expansion fitting

  By equation (7)

  Conical expansion fitting at L:

 In accordance with Procedure 2.7 last paragraph, the static inlet pressure to this fitting is assumed to be 1.55 bar a.

  Section PRV and from Table 1:

  where

  • GP = 10.6/π 0.12/4 = 1349.9 kg/m2-s

  By 2.8 and Pec at exit of pipe section from PRV to L = 1349 × 136.2 = 184000 Pa (1.84 bar a)

 Therefore, the exit of the 100 mm diameter pipe section PRV to L is choked and the exit pressure at L is 1.84 bar a

  By equation (7) at 1.84 bar a

 By first approximation

  • ΔP = 0.5 × 13492 × 0.098 × 0.043

  • = 3800 Pa (0.04 bar)

  P PRV = 1.84 + 0.04 = 1.88 bar a; Try 2.42 bar a

  By equation (7)

  By equation (5)

  • = 52800 + 3300 = 56100 Pa (0.56 bar)

  • and PPRV = 1.84 + 0.56 = 2.40 bar a (1.40 bar g)

  By 2.9 Back pressure at Code PRV two-phase flow at 14.2 bar a is 1.40 × 100/11.0 = 12.7% of set pressure (gauge) which assures adequate relief capacity for POPRVs.

  By 2.10 Procedure for unbalanced PRVs only. The Procedures 2.5 to 2.8 are repeated in this worked example using the installed rated mass flow for information only.

  By 2.5 At the installed rated two-phase mass flow W = 28.25 × 4 = 113.0 kg/s.

By equation (6)

Thus exit flow is not choked and vent pipe exit pressure is 100000 Pa (1 bar a)

  By 2.6 The exit vapour fraction is estimated by equation (7) xc = 0.58 and two-phase exit density and specific volume by equations (8) and (9)

  By 2.7 Section B to A:

  where

  • Gp = 575 kg/m2-s; Σa/W = 0.339 m2-s/kg

  • xB = 0.48; ρB = 10.31 kg/m3; vB = 0.097 m3/kg

  • Δ P = 116900 Pa (1.17 bar)

  • PB = 2.17 bar a

  • Pec = 899 × 136.2 = 122000 Pa (1.22 bar a)

  Section F to B:

  where

  • Gp = 899 kg/m2-s; Σa/W = 0.0929 m2-s/kg

  • xF = 0.37; ρF = 18.17 kg/m3; vF = 0.055 m3/kg

  • Δ P = 89500 Pa (0.89 bar)

  • PF = 2.17 + 0.89 = 3.06 bar a

  • Pec = 449 × 136.2 = 61000 Pa (0.61 bar a)

  Section G to F:

  where

  • G p = 449 kg/m2-s

  • ΔP = 6300 Pa(0.06 bar)

  Section J to G:

  where

  • G p = 799 kg/m2-s

  • ΔP = 1200 Pa(0.01 bar)

  Section L to J:

  where

  • G p = 400 kg/m2-s

  • ΔP = 2600 Pa(0.03 bar)

  • PL = 3.06 + 0.06 + 0.01 + 0.03 = 3.16 bar a

  • xL = 0.34; ρ L = 20.44 kg/m3; vL = 0.049 m3/kg

  • Pec = 400 × 136.2 = 54000 Pa (4.9 bar a)

  Conical Expansion Fitting at L:

 By procedure 2.7, static inlet pressure is 3.16 bar a.

  Section PRV to L:

  where

  • Gp = 3596 kg/m2-s

  • Pec = 3596 × 136.2 = 490,000 Pa (4.9 bar a)

 Thus,

  • PL = 490 bar a

  • xL = 0.270

  • xPRV = 0.241

  • ΔP = 83700 Pa(0.84 bar

  • PPRV = 4.90 + 0.84 = 5.74 bar a or 4.74 bar g

  By 2.9 Back pressure at installed rated two-phase flow at 14.2 bar a is 4.7.4 × 100/11.0 = 43.1% of set pressure (gauge) which assures normal full capacity operation of the POPRVs.

  Summary of predictions

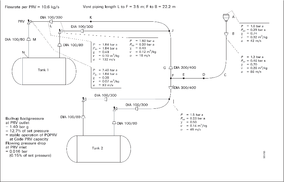
 The predicted two-phase propane properties are shown at five node points in the PRV discharge vent piping, in Figure 2 at the Code PRV flow-rate, and in Figure 3 at the installed rated flow-rate. The flowing pressure drop in the piping to the PRV inlet is less than guideline1.3 requires. The built-up back pressure at the PRV outlet is also less than guideline1.4 requires for the pilot-operated PRVs installed.

 The flowing pressure drop in the PRV inlet piping is well within guideline1.3 of the Code PRV all vapour flow-rate but exceeds the requirement for the installed rated all vapour flow-rate. However, the pressure drop is acceptable for reason * in footnote on page 9. The blowdown and closing pressure should be set to assure stable operation when both PRVs are open.

 These procedures are now applied to example case 3B in Dow Chemical Company's report to CTAC using their RELief DESign program, February 25, 1992 (BCH 22/INF.6). Per RELDES RESULTS on page 9, the last two-phase flow of 106 lbs/sec (48.1 kg/s) occurs at a tank pressure of 169 psig (12.66 bar a), Quality (percent vapour by mass) is stated to be 0.10% and Vessel Inventory is 76.2% of liquid propane. The PRV discharge vent pipe is assumed to be 10 ft long by 8 inches diameter (3.04 m length × 0.203 m dia) and PRV Orifice Area is 12.3 sq. in. (7.935 × 10-3 m2), Kd = 0.953.

Figure 2 Two Phase Propane Properties at Code PRV Relief Flowrate - Simplified Flow Sheet of a Cargo Tank Vent System With One Vent Stack Connected to Two Tanks

Figure 3 Two Phase Propane Properties at Installed Rated Flowrate - Simplified Flow Sheet of a Cargo Tank Vent System With One Vent Stack Connected to Two Tanks

  By equation (2)

  By equation (3)

 Thus equations (2) and (3) predict a flow rate 17% higher than RELDES

  By equation (6)

  where

  • ao = vapour fraction by volume in tank

  • = 0.238 from Vessel Inventory

 and

 12.66 bar a, Vapour Fraction by mass at PRV inlet.

Vapour Mass per cubic metre = 0.238 × 26.9 = 6.402 kg
Liquid Mass per cubic metre = 9.762 × 475.0 = 361.95 kg
Total Mass per cubic metre     = 368.35 kg
and Vapour Fraction = 6.3/368 = 0.017

 or Quality = 1.7% compared to RELDES 0.10%

 At vent piping exit back pressure = 1.70 bar a

 and

 say at inlet to vent discharge pipe back pressure = 3.31 bar a:

 and

  By equation (5), where 4f L/D = 4 × 0.005 × 3.04/0.203 = 0.30

  • ΔP = 14862 × (0.103-0.042) + 0.5 × 14862 × (0.103 + 0.042)/2 × 0.3

  • = 134700 + 24000 = 158700 Pa(1.59 bar)

 Thus Back Pressure at PRV discharge flange:

  • = 1.70 + 1.59 = 3.29 bar a or = 2.29 bar g (33.2 psig) for comparison with RELDES prediction 32.8 psig

  • = Thus equations (6), (7), (8), (9) and (5) predict a Back Pressure 1% higher than RELDES


Copyright 2022 Clasifications Register Group Limited, International Maritime Organization, International Labour Organization or Maritime and Coastguard Agency. All rights reserved. Clasifications Register Group Limited, its affiliates and subsidiaries and their respective officers, employees or agents are, individually and collectively, referred to in this clause as 'Clasifications Register'. Clasifications Register assumes no responsibility and shall not be liable to any person for any loss, damage or expense caused by reliance on the information or advice in this document or howsoever provided, unless that person has signed a contract with the relevant Clasifications Register entity for the provision of this information or advice and in that case any responsibility or liability is exclusively on the terms and conditions set out in that contract.