Case 1: Standard Kamsarmax ship, one main engine (MDO), standard auxiliary engines
(MDO), no shaft generator:
| S/N
|
Parameter
|
Formula or
Source
|
Unit
|
Value
|
| 1
|
MCRME
|
MCR rating of main
engine
|
kW
|
9930
|
| 2
|
Capacity
|
Deadweight of the
ship at summer load draft
|
DWT
|
81200
|
| 3
|
Vref
|
Ships speed as
defined in EEDI regulation
|
kn
|
14
|
| 4
|
PME
|
0.75 x
MCRME
|
kW
|
7447.5
|
| 5
|
PAE
|
0.05 x
MCRME
|
kW
|
496.5
|
| 6
|
CFME
|
CF
factor of Main engine using MDO
|
-
|
3.206
|
| 7
|
CFAE
|
CF
factor of Auxiliary engine using MDO
|
-
|
3.206
|
| 8
|
SFCME
|
Specific fuel
consumption of at PME
|
g/kWh
|
165
|
| 9
|
SFCAE
|
Specific fuel consumption of at PAE
|
g/kWh
|
210
|
| 10
|
EEDI
|
((PME x CF ME
x SFCME) + (PAE x
CFAE x SFCAE))/
(vref x Capacity)
|
gCO2/tnm
|
3.76
|
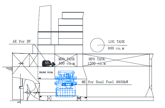
Case 2: LNG is regarded as the "primary fuel" if dual-fuel main engine and dual-fuel
auxiliary engine (LNG, pilot fuel MDO; no shaft generator) are equipped with bigger LNG
tanks

| S/N
|
Parameter
|
Formula or
Source
|
Unit
|
Value
|
| 1
|
MCRME
|
MCR rating of main
engine
|
kW
|
9930
|
| 2
|
Capacity
|
Deadweight of the
ship at summer load draft
|
DWT
|
81200
|
| 3
|
Vref
|
Ships speed as
defined in EEDI regulation
|
kn
|
14
|
| 4
|
PME
|
0.75
x MCRME
|
kW
|
7447.5
|
| 5
|
PAE
|
0.05
x MCRME
|
kW
|
496.5
|
| 6
|
CFPilotfuel
|
CF
factor of pilot fuel for dual fuel ME using MDO
|
-
|
3.206
|
| 7
|
CFAE Plilotfuel
|
CF
factor of pilot fuel for Auxiliary engine using MDO
|
-
|
3.206
|
| 8
|
CFLNG
|
CF
factor of dual fuel engine using LNG
|
-
|
2.75
|
| 9
|
SFCMEPilotfuel
|
Specific fuel
consumption of pilot fuel for dual fuel ME at PME
|
g/kWh
|
6
|
| 10
|
SFCAE
Pilotfuel
|
Specific fuel
consumption of pilot fuel for dual fuel AE at PAE
|
g/kWh
|
7
|
| 11
|
SFCME
LNG
|
Specific fuel
consumption of ME using LNG at PME
|
g/kWh
|
136
|
| 12
|
SFCAE
LNG
|
Specific fuel
consumption of AE using LNG at PAE
|
g/kWh
|
160
|
| 13
|
VLNG
|
LNG tank capacity
on board
|
m3
|
3100
|
| 14
|
VHFO
|
Heavy fuel oil
tank capacity on board
|
m3
|
1200
|
| 15
|
VMDO
|
Marine diesel oil
tank capacity on board
|
m3
|
400
|
| 16
|
ρLNG
|
Density of
LNG
|
kg/m3
|
450
|
| 17
|
ρHFO
|
Density of heavy
fuel oil
|
kg/m3
|
991
|
| 18
|
ρMDO
|
Density of Marine
diesel oil
|
kg/m3
|
900
|
| 19
|
LCVLNG
|
Low calorific
value of LNG
|
kJ/kg
|
48000
|
| 20
|
LCVHFO
|
Low calorific
value of heavy fuel oil
|
kJ/kg
|
40200
|
| 21
|
LCVMDO
|
Low calorific
value of marine diesel oil
|
kJ/kg
|
42700
|
| 22
|
KLNG
|
Filling rate of
LNG tank
|
-
|
0.95
|
| 23
|
KHFO
|
Filling rate of
heavy fuel tank
|
-
|
0.98
|
| 24
|
KMDO
|
Filling rate of
marine diesel tank
|
-
|
0.98
|
| 25
|
fDFgas
|
|
-
|
0.5068
|
| 26
|
EEDI
|
(PME x (CF Pilotfuel x
SFCME Pilotfuel + CF LNG x
SFCME LNG ) + PAE x
(CF Pilotfuel x SFCAE
Pilotfuel + CF LNG x SFCAE
LNG)) / (Vref x
Capacity)
|
gCO2/tnm
|
2.78
|
Case 3: LNG is not regarded as the "primary fuel" if dual-fuel main engine and dual-fuel
auxiliary engine (LNG, pilot fuel MDO; no shaft generator) are equipped with smaller LNG
tanks

| S/N
|
Parameter
|
Formula or
Source
|
Unit
|
Value
|
| 1
|
MCRME
|
MCR rating of main
engine
|
kW
|
9930
|
| 2
|
Capacity
|
Deadweight of the
ship at summer load draft
|
DWT
|
81200
|
| 3
|
Vref
|
Ships speed as
defined in EEDI regulation
|
kn
|
14
|
| 4
|
PME
|
0.75
x MCRME
|
kW
|
7447.5
|
| 5
|
PAE
|
0.05
x MCRME
|
kW
|
496.5
|
| 6
|
CFPilotfuel
|
CF
factor of pilot fuel for dual fuel ME using MDO
|
-
|
3.206
|
| 7
|
CFAE
Plilotfuel
|
CF
factor of pilot fuel for Auxiliary engine using MDO
|
-
|
3.206
|
| 8
|
CFLNG
|
CF
factor of dual fuel engine using LNG
|
-
|
2.75
|
| 9
|
CFMDO
|
CF
factor of dual fuel ME/AE engine using MDO
|
-
|
3.206
|
| 10
|
SFCMEPilotfuel
|
Specific fuel
consumption of pilot fuel for dual fuel ME at PME
|
g/kWh
|
6
|
| 11
|
SFCAE
Pilotfuel
|
Specific fuel
consumption of pilot fuel for dual fuel AE at PAE
|
g/kWh
|
7
|
| 12
|
SFCME
LNG
|
Specific fuel
consumption of ME using LNG at PME
|
g/kWh
|
136
|
| 13
|
SFCAE
LNG
|
Specific fuel
consumption of AE using LNG at PAE
|
g/kWh
|
160
|
| 14
|
SFCME
MDO
|
Specific fuel
consumption of dual fuel ME using MDO at PME
|
g/kWh
|
165
|
| 15
|
SFCAE
MDO
|
Specific fuel
consumption of dual fuel AE using MDO at PAE
|
g/kWh
|
187
|
| 16
|
VLNG
|
LNG tank capacity
on board
|
m3
|
600
|
| 17
|
VHFO
|
Heavy fuel oil
tank capacity on board
|
m3
|
1800
|
| 18
|
VMDO
|
Marine diesel oil
tank capacity on board
|
m3
|
400
|
| 19
|
ρLNG
|
Density of
LNG
|
kg/m3
|
450
|
| 20
|
ρHFO
|
Density of heavy
fuel oil
|
kg/m3
|
991
|
| 21
|
ρMDO
|
Density of Marine
diesel oil
|
kg/m3
|
900
|
| 22
|
LCVLNG
|
Low calorific
value of LNG
|
kJ/kg
|
48000
|
| 24
|
LCVHFO
|
Low calorific
value of heavy fuel oil
|
kJ/kg
|
40200
|
| 25
|
LCVMDO
|
Low calorific
value of marine diesel oil
|
kJ/kg
|
42700
|
| 26
|
KLNG
|
Filling rate of
LNG tank
|
-
|
0.95
|
| 27
|
KHFO
|
Filling rate of
heavy fuel tank
|
-
|
0.98
|
| 28
|
KMDO
|
Filling rate of
marine diesel tank
|
-
|
0.98
|
| 29
|
fDFgas
|
|
-
|
0.1261
|
| 30
|
fDFliquid
|
1-
fDFgas
|
-
|
0.8739
|
| 31
|
EEDI
|
(PME x (fDFgas x
(CF Pilotfuel x SFCME
Pilotfuel + CF LNG x SFCME
LNG ) + fDFliquid x
CFMDO x SFCME MDO) +
PAE x (fDFgas x
(CFAE Pilotfuel x SFCAE
Pilotfuel + CF LNG x SFCAE
LNG)+fDFliquid
xCFMDO x SFCAE MDO)) /
(Vref x Capacity)
|
gCO2/tnm
|
3.61
|
Case 4: One dual-fuel main engine (LNG, pilot fuel MDO) and one main engine (MDO) and
dual-fuel auxiliary engine (LNG, pilot fuel MDO, no shaft generator) which LNG could be
regarded as "primary fuel" only for the dual-fuel main engine.

| S/N
|
Parameter
|
Formula or
Source
|
Unit
|
Value
|
| 1
|
MCRMEMDO
|
MCR rating of main
engine using only MDO
|
kW
|
5000
|
| 2
|
MCRMELNG
|
MCR rating of main
engine using dual fuel
|
kW
|
4000
|
| 3
|
Capacity
|
Deadweight of the
ship at summer load draft
|
DWT
|
81200
|
| 4
|
Vref
|
Ships
speed
|
kn
|
14
|
| 5
|
PMEMDO
|
0.75
x MCRMEMDO
|
kW
|
3750
|
| 6
|
PMELNG
|
0.75 x
MCRMELNG
|
kW
|
3000
|
| 7
|
PAE
|
0.05 x
(MCRMEMDO + MCRMELNG)
|
kW
|
450
|
| 8
|
CFPilotfuel
|
CF
factor of pilot fuel for dual fuel ME using MDO
|
-
|
3.206
|
| 9
|
CFAE
Plilotfuel
|
CF
factor of pilot fuel for Auxiliary engine using MDO
|
-
|
3.206
|
| 10
|
CFLNG
|
CF
factor of dual fuel engine using LNG
|
-
|
2.75
|
| 11
|
CFMDO
|
CF
factor of dual fuel ME/AE engine using MDO
|
-
|
3.206
|
| 12
|
SFCMEPilotfuel
|
Specific fuel
consumption of pilot fuel for dual fuel ME at PME
|
g/kWh
|
6
|
| 13
|
SFCAE
Pilotfuel
|
Specific fuel
consumption of pilot fuel for dual fuel AE at PAE
|
g/kWh
|
7
|
| 14
|
SFCDF
LNG
|
Specific fuel
consumption of dual fuel ME using LNG at PME
|
g/kWh
|
158
|
| 15
|
SFCAE
LNG
|
Specific fuel
consumption of AE using LNG at PAE
|
g/kWh
|
160
|
| 16
|
SFCME
MDO
|
Specific fuel
consumption of dual fuel ME using MDO at PME
|
g/kWh
|
180
|
| 17
|
VLNG
|
LNG tank capacity
on board
|
m3
|
1000
|
| 18
|
VHFO
|
Heavy fuel oil
tank capacity on board
|
m3
|
1200
|
| 19
|
VMDO
|
Marine diesel oil
tank capacity on board
|
m3
|
400
|
| 20
|
ρLNG
|
Density of
LNG
|
kg/m3
|
450
|
| 21
|
ρHFO
|
Density of heavy
fuel oil
|
kg/m3
|
991
|
| 22
|
ρMDO
|
Density of Marine
diesel oil
|
kg/m3
|
900
|
| 23
|
LCVLNG
|
Low calorific
value of LNG
|
kJ/kg
|
48000
|
| 24
|
LCVHFO
|
Low calorific
value of heavy fuel oil
|
kJ/kg
|
40200
|
| 25
|
LCVMDO
|
Low calorific
value of marine diesel oil
|
kJ/kg
|
42700
|
| 26
|
KLNG
|
Filling rate of
LNG tank
|
-
|
0.95
|
| 27
|
KHFO
|
Filling rate of
heavy fuel tank
|
-
|
0.98
|
| 28
|
KMDO
|
Filling rate of Lmarine diesel tank
|
-
|
0.98
|
| 29
|
fDFgas
|
|
-
|
0.5195
|
| 30
|
EEDI
|
(PMELNG x (CF Pilotfuel x
SFCME Pilotfuel + CF LNG x
SFCDF LNG ) + PMEMDO x
CF MDO x SFCME MDO +
PAE x (CFAE Pilotfuel x
SFCAE Pilotfuel + CF LNG x
SFCAE LNG)) / (Vref x
Capacity)
|
gCO2/tnm
|
3.28
|
Case 5: One dual-fuel main engine (LNG, pilot fuel MDO) and one main engine (MDO) and
dual-fuel auxiliary engine (LNG, pilot fuel MDO, no shaft generator) which LNG could not
be regarded as "primary fuel" for the dual- fuel main engine.

| S/N
|
Parameter
|
Formula or
Source
|
Unit
|
Value
|
| 1
|
MCRMEMDO
|
MCR rating of main
engine using only MDO
|
kW
|
5000
|
| 2
|
MCRMELNG
|
MCR rating of main
engine using dual fuel
|
kW
|
4000
|
| 3
|
Capacity
|
Deadweight of the
ship at summer load draft
|
DWT
|
81200
|
| 4
|
Vref
|
Ships
speed
|
kn
|
14
|
| 5
|
PMEMDO
|
0.75
x MCRMEMDO
|
kW
|
3750
|
| 6
|
PMELNG
|
0.75
x MCRMELNG
|
kW
|
3000
|
| 7
|
PAE
|
0.05 x
(MCRMEMDO + MCRMELNG)
|
kW
|
450
|
| 8
|
CFPilotfuel
|
CF
factor of pilot fuel for dual fuel ME using MDO
|
-
|
3.206
|
| 9
|
CFAE
Plilotfuel
|
CF
factor of pilot fuel for Auxiliary engine using MDO
|
-
|
3.206
|
| 10
|
CFLNG
|
CF
factor of dual fuel engine using LNG
|
-
|
2.75
|
| 11
|
CFMDO
|
CF
factor of dual fuel ME/AE engine using MDO
|
-
|
2.75
|
| 12
|
SFCMEPilotfuel
|
Specific fuel
consumption of pilot fuel for dual fuel ME at PME
|
g/kWh
|
6
|
| 13
|
SFCAE
Pilotfuel
|
Specific fuel
consumption of pilot fuel for dual fuel AE at PAE
|
g/kWh
|
7
|
| 14
|
SFCDF
LNG
|
Specific fuel
consumption of dual fuel ME using LNG at PME
|
g/kWh
|
158
|
| 15
|
SFCAE
LNG
|
Specific fuel
consumption of AE using LNG at PAE
|
g/kWh
|
160
|
| 16
|
SFCDF
MDO
|
Specific fuel
consumption of dual fuel ME using MDO at PME
|
g/kWh
|
185
|
| 17
|
SFCME
MDO
|
Specific fuel
consumption of single fuel ME at PME
|
g/kWh
|
180
|
| 18
|
SFCAE
MDO
|
Specific fuel
consumption of AE using MDO at PAE
|
g/kWh
|
187
|
| 19
|
VLNG
|
LNG tank capacity
on board
|
m3
|
600
|
| 20
|
VHFO
|
Heavy fuel oil
tank capacity on board
|
m3
|
1200
|
| 21
|
VMDO
|
Marine diesel oil
tank capacity on board
|
m3
|
400
|
| 22
|
ρLNG
|
Density of
LNG
|
kg/m3
|
450
|
| 23
|
ρHFO
|
Density of heavy
fuel oil
|
kg/m3
|
991
|
| 24
|
ρMDO
|
Density of Marine
diesel oil
|
kg/m3
|
900
|
| 25
|
LCVLNG
|
Low calorific
value of LNG
|
kJ/kg
|
48000
|
| 26
|
LCVHFO
|
Low calorific
value of heavy fuel oil
|
kJ/kg
|
40200
|
| 27
|
LCVMDO
|
Low calorific
value of marine diesel oil
|
kJ/kg
|
42700
|
| 28
|
KLNG
|
Filling rate of
LNG tank
|
-
|
0.95
|
| 29
|
KHFO
|
Filling rate of
heavy fuel tank
|
-
|
0.98
|
| 30
|
KMDO
|
Filling rate of
marine diesel tank
|
-
|
0.98
|
| 31
|
fDFgas
|
|
-
|
0.3462
|
| 32
|
fDFliquid
|
1-
fDFgas
|
-
|
0.6538
|
| 33
|
EEDI
|
(PMELNG x (fDFgas x
(CF Pilotfuel x SFCME
Pilotfuel + CF LNG x SFCDF
LNG ) + fDFliquid x
CFMDO x SFCDF MDO)) +
PMEMDO x CF MDO x
SFCME MDO + PAE x
(fDFgas x (CFAE Pilotfuel x
SFCAE Pilotfuel + CF LNG x
SFCAE LNG) + fDFliquid x
CFMDO x SFCAE MDO )) /
(Vref x Capacity)
|
gCO2/tnm
|
3.54
|